全国51茶楼信息网_南宁品茶桑拿论坛_广州桑拿网020论坛

语言

021-34292776

上海里库电子科技有限公司
SMP

SMP

RCR-CXF33F06-02

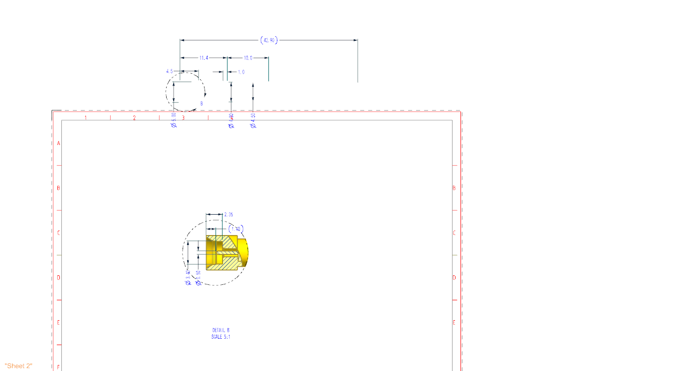
详情介绍

产品说明
1、适用于高频连接器、高频开关及PCB板高频信号测试;

2、高频率,低驻波,信号传输精准可靠;

3、严格管控生产环节,探针品质稳定,使用寿命长;

4、提供从信号输入到信号输出一体式客制化解决方案;


技术参数

电气参数

特性阻抗

50 Ω

频率

DC TO 6GHz

驻波比

1.80max(DC-6GHz)

绝缘电阻

1000 MΩ

绝缘耐压

500 VDC

内导体参数

全行程

3.5mm

工作行程

1.5mm

弹力

100g±20%@1.5mm

针头材质

BeCu-Au plated

电流

3A

外导体参数

全行程

5.0m

工作行程

3.0mm

弹力

>500g@3.0mm

电流

10A

机械参数

被测物型号

DIA 3.3 Female Connectors

线缆组件接口

MCX Female

测试寿命

10000 Times(PIN Changeble)

工作温度

-55°C~+85°C


  • 17317892995 / 19302167534
  • sales@www.pfdhim.cn
  • 主站蜘蛛池模板: 博野县| 定兴县| 云阳县| 新建县| 宽甸| 友谊县| 台中市| 桐乡市| 普定县| 左贡县| 昌都县| 凌源市| 石城县| 余江县| 中宁县| 化州市| 寿宁县| 台前县| 庆元县| 庆阳市| 贞丰县| 腾冲县| 青海省| 宾川县| 叶城县| 大兴区| 延边| 隆德县| 安康市| 青冈县| 阜平县| 揭东县| 富宁县| 宾阳县| 方正县| 濮阳县| 宜宾市| 昂仁县| 崇义县| 包头市| 桦甸市|